Onze plannen voor het nieuwe Thermae Palace Hotel door de Groep Vanmoerkerke
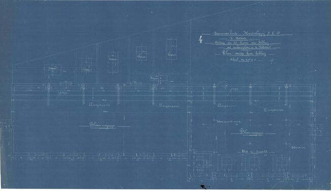
Plan van het gelijkvloers van het Royal Palace Hôtel.